CAD PORTFOLIO

Our 2D CAD services include manufacturing drawings, architectural layouts and general assembly drawings produced in Vectorworks and used to produce DWG or DXF files, which also include a PDF exported version for quick reference. CAD processes are imperative when having to account for a large amount profiles and/or objects that need to interact with each other cohesively.

  • Manufacturing drawings
  • General assembly
  • Exhibition floor plan layouts
  • Domestic floor plans
  • Architectural and equipment layouts
  • DWG, DXF, EPS or PDF
  • Interference identification
CAD - Building Plan Proposal
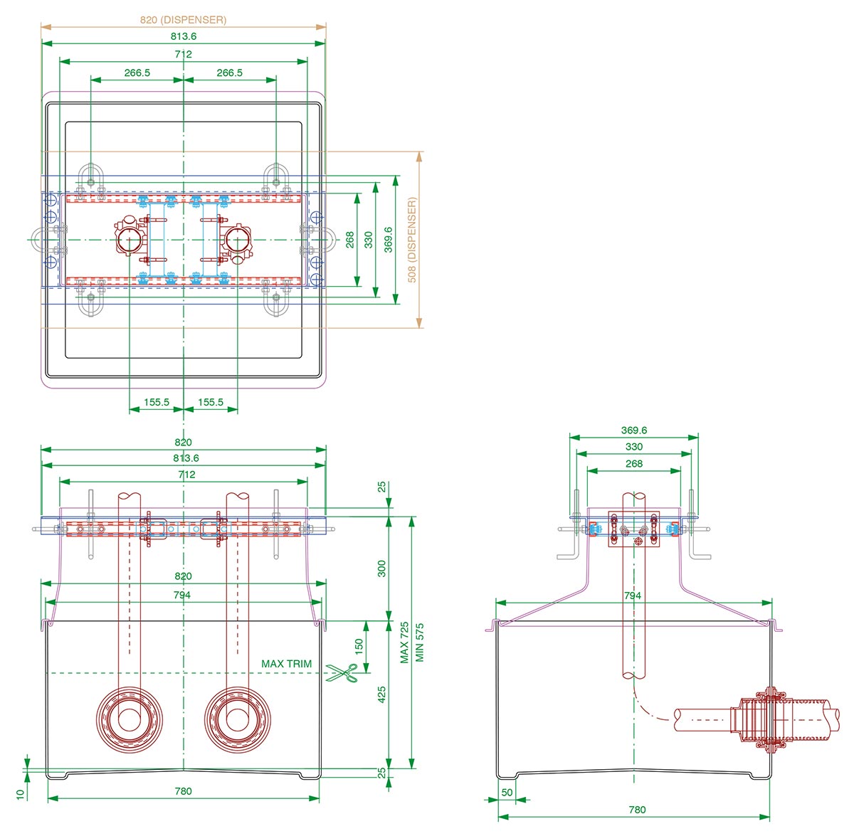
CAD - Dispenser System
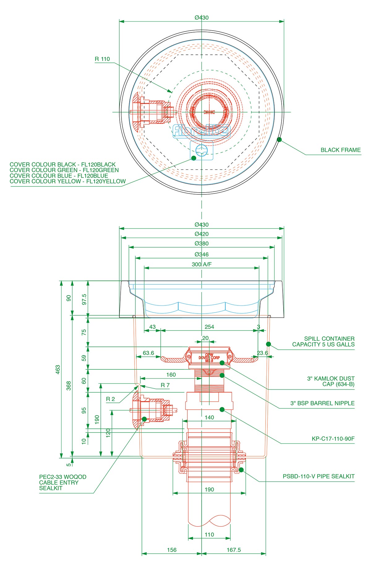
CAD - Waste Oil Transition Sump
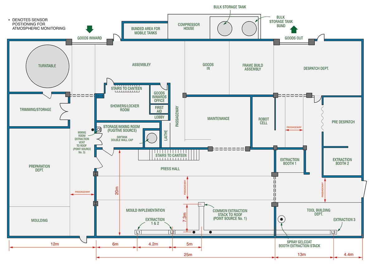
CAD - Factory Layout
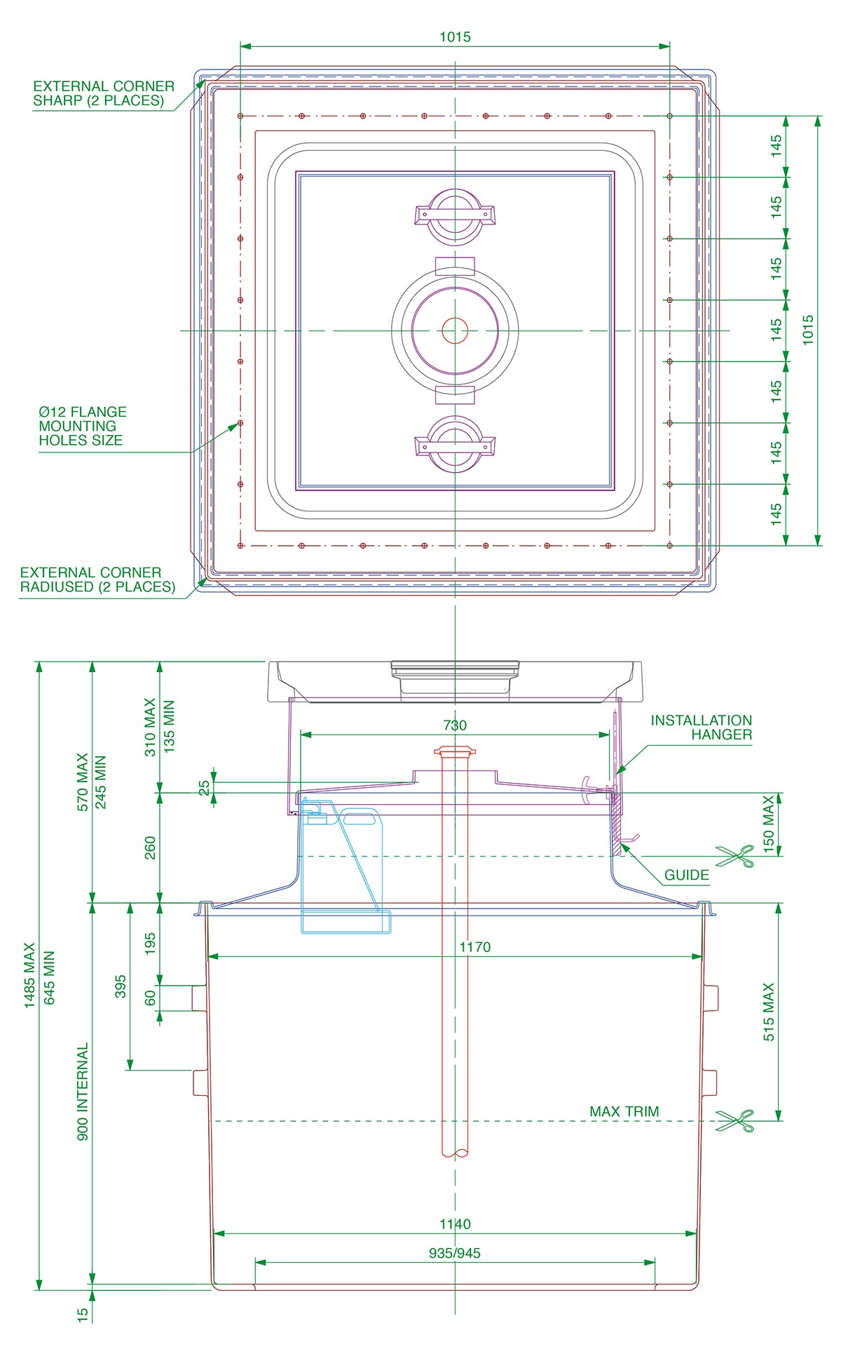
CAD - Access Cover with Sensor
CAD - Lockable Access Cover
CAD - Access Covers with Transmitters
CAD - Underground Enclosure
CAD - Cover Frame
CAD - Trench Cover Layout
CAD - Fill Pot
CAD - Square Chamber System
CAD - Manifold Sump System
CAD - Fuel Fill System
CAD - Centre Dip Sump System
CAD - Above Ground Fill System
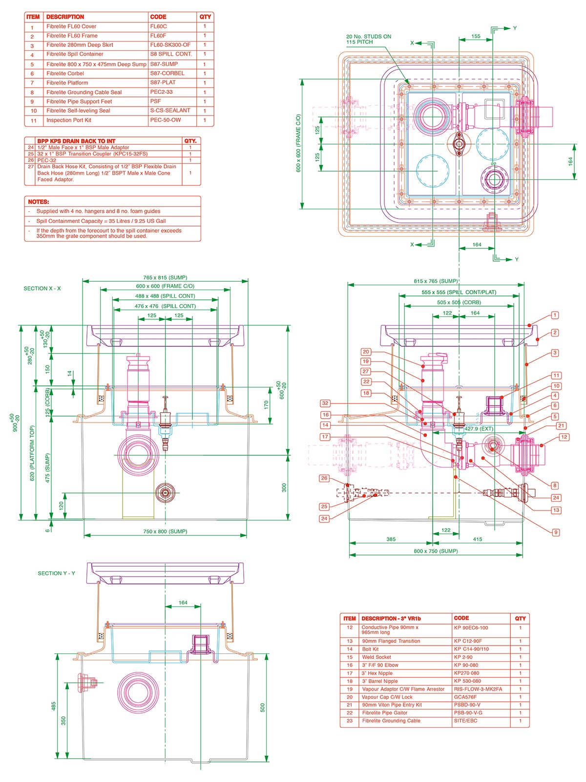
CAD - VR1b System
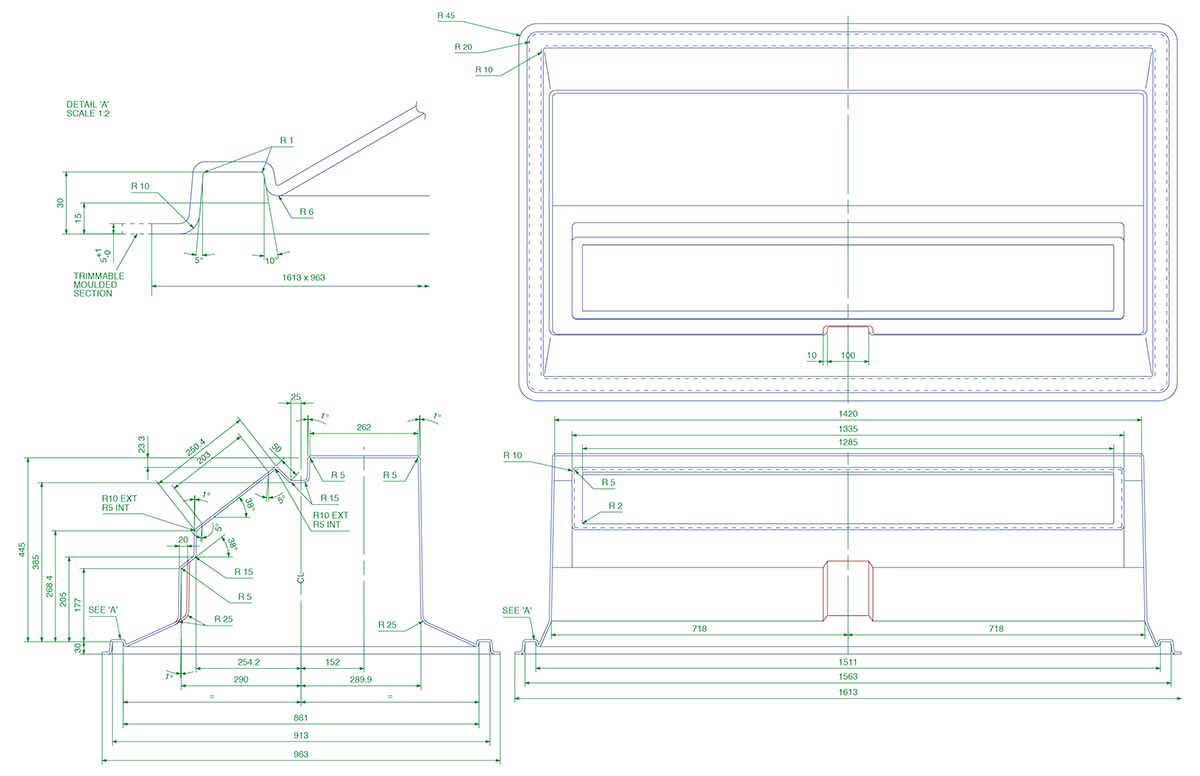
CAD - Lid Manufacturing Drawing
CAD - Forecourt Venting System
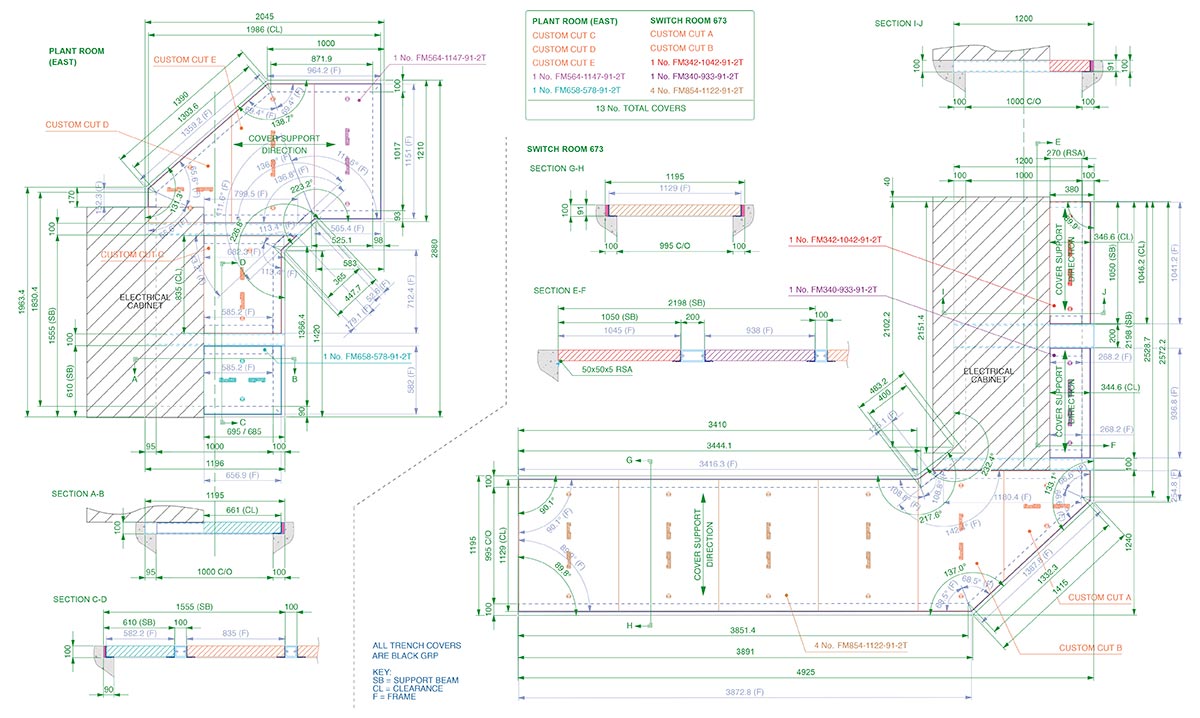
CAD - Plant Trench Covers
CAD - Exhibition Floor Plan